BLITZDUCTOR VT

  • Protección de líneas de señal de varios hilos
  • Modelos específicos para interfaces, por ej. RS485 o aplicaciones para telecomunicaciones
  • Modelo para protección de suministro de tensión DC y protección catódica contra la corrosión

Detalles

Variante del equipo BVT para la protección de instalaciones activas de protección contra la corrosión.
lorem ipsum
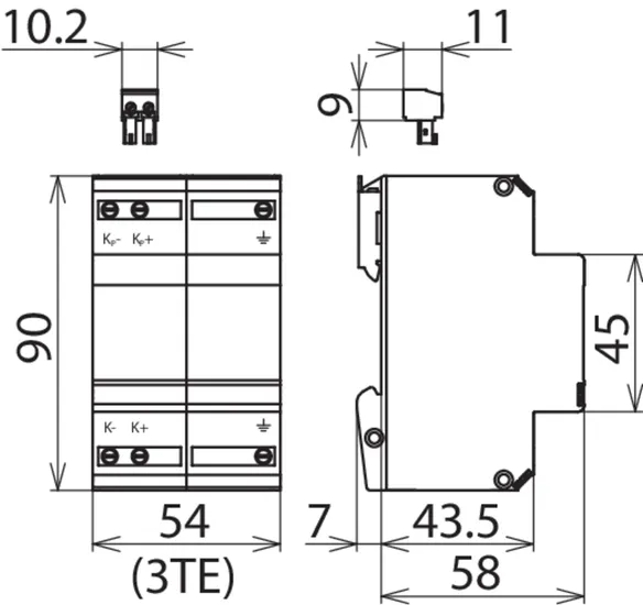
Carcasa BVT con un ancho de 1,5 módulos y conexión RJ:
BVT TC1 para la protección de interfaces de telecomunicación.
lorem ipsum
Carcasa BVT con un ancho de 3 módulos y bornas atornillables:
BVT RS485 para la protección de interfaces RS485 / RS422
lorem ipsum
Carcasa BVT con un ancho de 1.5 módulos y bornas atornillables:
BVT AVD/ALD: 2 hilos de alimentación DC protegidos
lorem ipsum

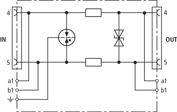
BVT RS485

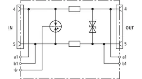
Descargador de sobretensiones para una amplia gama de aplicaciones, por ejemplo, interfaces simétricas RS485/422 a cuatro hilos o sensores de temperatura. Posibilidad de puesta a tierra del apantallamiento directa o indirectamente así como conexión de la tierra de la señal (SG).

1 Producto

N.º art. 918401 BVT RS485 5

GTIN 4013364074224, N.º de arancel aduanero (EU): 85363010, Peso bruto: 199.00 g, Empaquetado: 1.00 unidad(es)


Figuras

Más información


Tensión nominal DC: 5 V
Máxima tensión permisible de servicio dc: 6 V
Corriente nominal: 0,5 A
C2 Corriente nominal de descarga (8/20 µs) total: 10 kA

Producto DEHN
Tipo: BVT RS485 5
art. no.: 918401
o equivalente

Certificados

 

Datos técnicos

Clase de descargador Q
Máxima tensión permisible de servicio dc (UC ) 6 V
Corriente nominal (IL ) 0,5 A
D1 Corriente de impulso de rayo (10/350 µs) por hilo (Iimp ) 0,8 kA
C2 Corriente nominal de descarga (8/20 µs) total (In ) 10 kA
Resistencia serie por hilo 1,8 ohmios
Frecuencia límite hilo-hilo (fG ) 1,7 MHz
Certificaciones CSA

Se ha añadido el artículo 918401 a favoritos.

El artículo 918401 ha sido añadido a la cesta de compra.


BVT AVD

Descargadores de sobretensiones con excelente de protección para EMC de componentes electrónicos con tensión de alimentación d.c. Ideal para PLCs Siemens. Al utilizar un diodo unipolar, debe respetarse la polaridad de la tensión de servicio.

1 Producto

N.º art. 918422 BVT AVD 24

GTIN 4013364149267, N.º de arancel aduanero (EU): 85363010, Peso bruto: 109.10 g, Empaquetado: 1.00 unidad(es)

Predecesor

Figuras

Más información


Tensión nominal DC: 24 V
Máxima tensión permisible de servicio dc: 35 V
Corriente nominal a 80 °C: 10 A
C2 Corriente nominal de descarga (8/20 µs) total: 2 kA

Producto DEHN
Tipo: BVT AVD 24
art. no.: 918422
o equivalente

Certificados

 

Datos técnicos

Clase de descargador W
Máxima tensión permisible de servicio dc (UC ) 35 V
Corriente nominal a 80 °C (IL ) 10 A
C2 Corriente nominal de descarga (8/20 µs) total (In ) 2 kA

Se ha añadido el artículo 918422 a favoritos.

El artículo 918422 ha sido añadido a la cesta de compra.


BVT ALD

Descargador combinado de corrientes de rayo y sobretensiones, coordinado energéticamente para protección de sistemas de alimentación DC sin referencia a tierra para montaje sobre carril DIN.

2 Productos

N.º art. 918408 BVT ALD 36

GTIN 4013364125292, N.º de arancel aduanero (EU): 85363010, Peso bruto: 122.00 g, Empaquetado: 1.00 unidad(es)


Figuras

Más información


Tensión nominal DC: 36 V
Máxima tensión permisible de servicio dc: 45 V
Corriente nominal a 80 °C: 4 A
Corriente nominal a 45 °C: 7 A
C2 Corriente nominal de descarga (8/20 µs) total: 20 kA

Producto DEHN
Tipo: BVT ALD 36
art. no.: 918408
o equivalente

Certificados

 

Datos técnicos

Clase de descargador M
Máxima tensión permisible de servicio dc (UC ) 45 V
Corriente nominal a 80 °C (IL ) 4 A
Corriente nominal a 45 °C (IL ) 7 A
D1 Corriente de impulso de rayo (10/350 µs) por hilo (Iimp ) 2,5 kA
D1 Corriente de impulso de rayo (10/350 µs) total (Iimp ) 5 kA
C2 Corriente nominal de descarga (8/20 µs) total (In ) 20 kA
Resistencia serie por hilo 22 µH
Certificaciones UL

Se ha añadido el artículo 918408 a favoritos.

El artículo 918408 ha sido añadido a la cesta de compra.

N.º art. 918409 BVT ALD 60

GTIN 4013364146709, N.º de arancel aduanero (EU): 85363010, Peso bruto: 122.00 g, Empaquetado: 1.00 unidad(es)


Figuras

Más información


Tensión nominal DC: 60 V
Máxima tensión permisible de servicio dc: 65 V
Corriente nominal a 80 °C: 4 A
Corriente nominal a 45 °C: 7 A
C2 Corriente nominal de descarga (8/20 µs) total: 20 kA

Producto DEHN
Tipo: BVT ALD 60
art. no.: 918409
o equivalente

Certificados

 

Datos técnicos

Clase de descargador M
Máxima tensión permisible de servicio dc (UC ) 65 V
Corriente nominal a 80 °C (IL ) 4 A
Corriente nominal a 45 °C (IL ) 7 A
Fusible previo de UN ≥ 45 V y IL ≥ 1 A
D1 Corriente de impulso de rayo (10/350 µs) por hilo (Iimp ) 2,5 kA
D1 Corriente de impulso de rayo (10/350 µs) total (Iimp ) 5 kA
C2 Corriente nominal de descarga (8/20 µs) total (In ) 20 kA
Resistencia serie por hilo 22 µH
Certificaciones UL

Se ha añadido el artículo 918409 a favoritos.

El artículo 918409 ha sido añadido a la cesta de compra.


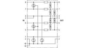
BVT TC

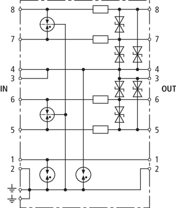
Descargador de sobretensiones coordinado energéticamente libre de corriente de fuga para lineas a/b, ISDN Uk0 o ADSL con conectores RJ45 y bornas atornillables adicionales. Los pines de los conectores RJ45 son compatibles con conectores RJ11/12. Las bornas atonillables paralelas son más robustas que los conectores RJ45 y elevan la corriente nominal de descarga a 10 kA.

1 Producto

N.º art. 918411 BVT TC 1

GTIN 4013364093133, N.º de arancel aduanero (EU): 85363010, Peso bruto: 110.90 g, Empaquetado: 1.00 unidad(es)


Figuras

Más información


Máxima tensión permisible de servicio dc: 170 V
Corriente nominal: 0,2 A
C2 Corriente nominal de descarga (8/20 µs) total: 5 kA

Producto DEHN
Tipo: BVT TC 1
art. no.: 918411
o equivalente

Certificados

 

Datos técnicos

Clase de descargador R
Máxima tensión permisible de servicio dc (UC ) 170 V
Corriente nominal (IL ) 0,2 A
D1 Corriente de impulso de rayo (10/350 µs) por hilo (Iimp ) 1 kA
C2 Corriente nominal de descarga (8/20 µs) total (In ) 5 kA
Resistencia serie por hilo 4,7 ohmios
Frecuencia límite hilo-hilo (fG ) 17 MHz

Se ha añadido el artículo 918411 a favoritos.

El artículo 918411 ha sido añadido a la cesta de compra.


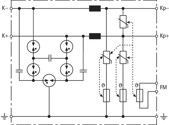
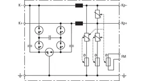
BVT KKS ALD

Descargador combinado energéticamente coordinado para la protección del rectificador en el circuito de protección (color rojo). Contacto de señalización a distancia enchufable (contacto abierto) para la indicación de descargas (vigilancia térmica de los varistores). Se recomienda su instalación en una carcasa de chapa de acero. Pro el control capacitivo se alcanza un bajo impulso de la tensión de cebado.

1 Producto

N.º art. 918420 BVT KKS ALD 75

GTIN 4013364094895, N.º de arancel aduanero (EU): 85363010, Peso bruto: 229.00 g, Empaquetado: 1.00 unidad(es)

Predecesor

Figuras

Más información


Máxima tensión permisible de servicio dc: 75 V
Corriente nominal: 12 A
C2 Corriente nominal de descarga (8/20 µs) total: 40 kA

Producto DEHN
Tipo: BVT KKS ALD 75
art. no.: 918420
o equivalente

Certificados

 

Datos técnicos

Clase de descargador M
Máxima tensión permisible de servicio dc (UC ) 75 V
Corriente nominal (IL ) 12 A
D1 Corriente de impulso de rayo (10/350 µs) por hilo (Iimp ) 3,5 kA
D1 Corriente de impulso de rayo (10/350 µs) total (Iimp ) 7 kA
C2 Corriente nominal de descarga (8/20 µs) total (In ) 40 kA
Resistencia serie por hilo 5 µH
Frecuencia límite hilo-hilo (fG ) 1 MHz
Contacto de señalización a distancia contacto normalmente cerrado

Se ha añadido el artículo 918420 a favoritos.

El artículo 918420 ha sido añadido a la cesta de compra.


BVT KKS APD

Descargador combinado energéticamente coordinado para la protección del circuito de medida de la tensión (color amarillo). Contacto de señalización a distancia enchufable (contacto abierto) para la indicación de sobrecarga (control térmico de los circuitos del descargador). Se recomienda su instalación en carcasas de chapa de acero. Por el control capacitivo, se alcanza un bajo impulso de la tensión de cebado.

1 Producto

N.º art. 918421 BVT KKS APD 36

GTIN 4013364094901, N.º de arancel aduanero (EU): 85363010, Peso bruto: 130.30 g, Empaquetado: 1.00 unidad(es)

Predecesor

Figuras

Más información


Máxima tensión permisible de servicio dc: 36,8 V
Corriente nominal: 0,05 A
C2 Corriente nominal de descarga (8/20 µs) total: 40 kA

Producto DEHN
Tipo: BVT KKS APD 36
art. no.: 918421
o equivalente

Certificados

 

Datos técnicos

Clase de descargador M
Máxima tensión permisible de servicio dc (UC ) 36,8 V
Corriente nominal (IL ) 0,05 A
D1 Corriente de impulso de rayo (10/350 µs) por hilo (Iimp ) 3,5 kA
D1 Corriente de impulso de rayo (10/350 µs) total (Iimp ) 7 kA
C2 Corriente nominal de descarga (8/20 µs) total (In ) 40 kA
Resistencia serie por hilo 55 ohmios
Contacto de señalización a distancia contacto normalmente cerrado

Se ha añadido el artículo 918421 a favoritos.

El artículo 918421 ha sido añadido a la cesta de compra.


back to top