SFL-Protector

  • Protección contra sobretensiones con dispositivo de vigilancia y de separación
  • Filtro para supresión de interferencias
  • Mayor seguridad gracias al circuito de protección en Y seguro contra errores de conexión
  • Interruptor de red con indicación de estado (solo SFL PRO 6X)
  • Cable de conexión de 2 m para uso flexible en diferentes aplicaciones
  • Indicación visual de estado (verde) e indicación visual de fallo (roja)

Detalles

lorem ipsum

SFL PRO 6X

Regleta de enchufes con protección contra sobretensiones y filtro de red.

1 Producto

N.º art. 909250 SFL PRO 6X

GTIN 4013364132566, N.º de arancel aduanero (EU): 85363010, Peso bruto: 970.00 g, Empaquetado: 1.00 unidad(es)

Predecesor

Figuras

Más información

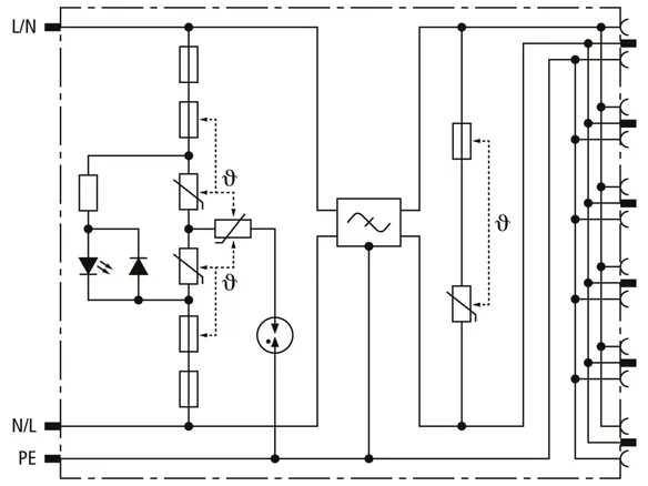
Regleta de enchufes con protección contra sobretensiones SFL PRO 6X
Regleta de 6 enchufes con protección contra sobretensiones y filtro
Descargador tipo 3 según la EN 61643-11
Filtro para supresión de interferencias según la DIN VDE 0565-3
Interruptor de red con indicación de servicio: verde
Indicación óptica de fallo: rojo
Máx. tensión permisible de servicio: 255 V ac
Nivel de protección: <= 1,6 kV
Corriente de choque de rayo total: 5 kA
Máx. protección contra sobrecorrientes sector primario: 16 A gG o B 16 A
Atenuación a f = 1 MHZ sym./asym. >= 32 dB / >= 30 dB
Coordinación energética según la DIN EN 62 305-4 Descargadores de la familia Red/Line

Producto DEHN
Tipo: SFL PRO 6X
art. no.: 909250
o equivalente

Certificados

 

Datos técnicos

DPS según EN 61643-11 / ... IEC 61643-11 Tipo 3 / Clase III
Max. tensión permisible de servicio AC (UC ) 255 V (50 / 60 Hz)
Corriente nominal de descarga (8/20 µs) (In ) 3 kA
Corriente total de descarga (8/20 µs) [L+N-PE] (Itotal ) 5 kA
Nivel de protección (UP ) ≤ 1.6 kV
Fusible previo max. B 16 A
Número de tomas de corriente 6

Se ha añadido el artículo 909250 a favoritos.

El artículo 909250 ha sido añadido a la cesta de compra.


SFL PRO 6X 19"

Regleta de enchufes con protección contra sobretensiones y filtro de red para armarios de distribución 482.6 mm (19").

1 Producto

N.º art. 909251 SFL PRO 6X 19"

GTIN 4013364132573, N.º de arancel aduanero (EU): 85363010, Peso bruto: 877.00 g, Empaquetado: 1.00 unidad(es)


Figuras

Más información

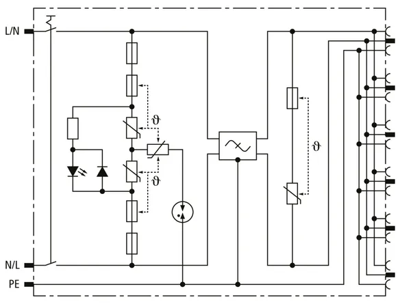
Regleta de enchufes con protección contra sobretensiones SFL PRO 6X 19"
Regleta de 6 enchufes con protección contra sobretensiones y filtro
Descargador tipo 3 según la EN 61643-11
Filtro para supresión de interferencias según la DIN VDE 0565-3
Con indicación de servicio: verde
Indicación óptica de fallo: rojo
Máx. tensión permisible de servicio: 255 V ac
Nivel de protección: <= 1.6 kV
Corriente de choque de rayo total: 5 kA
Máx. protección contra sobrecorrientes sector primario: 16 A gG o B 16 A
Atenuación a f = 1 MHZ sym./asym. >= 32 dB / >= 30 dB
Coordinación energética según la DIN EN 62 305-4
Descargadores de la familia Red/Line

Producto DEHN
Tipo: SFL PRO 6X 19"
art. no.: 909251
o equivalente

Certificados

 

Datos técnicos

DPS según EN 61643-11 / ... IEC 61643-11 Tipo 3 / Clase III
Max. tensión permisible de servicio AC (UC ) 255 V (50 / 60 Hz)
Corriente nominal de descarga (8/20 µs) (In ) 3 kA
Corriente total de descarga (8/20 µs) [L+N-PE] (Itotal ) 5 kA
Nivel de protección (UP ) ≤ 1.6 kV
Fusible previo max. B 16 A
Número de tomas de corriente 6

Se ha añadido el artículo 909251 a favoritos.

El artículo 909251 ha sido añadido a la cesta de compra.


back to top